三相两电平逆变器的介绍
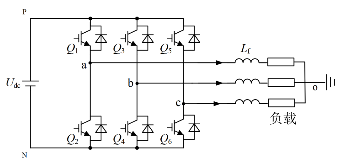
三相两电平逆变器的电路结构如下图所示,作为非常基本的电力电子电路,众多教科书中均有对该电路的原理介绍,本文不再对原理进行赘述,主要目的在于提供simulink仿真电路。下图即为三相两电平逆变器电路结构图。

图1 三相两电平逆变器电路结构图
三相两电平逆变器SPWM调制方法包括单极性和双极性两种调制方法:
(1)如果在正弦调制波的半个周期内,三角载波只在正或负的一种极性范围内变化,所得到的SPWM波也只处于一个极性的范围内,叫做单极性控制方式。
(2)如果在正弦调制波半个周期内,三角载波在正负极性之间连续变化,则SPWM波也是在正负之间变化,叫做双极性控制方式。

图2 双极性PWM控制方式
其中:载波比——载波频率 fc与调制信号频率 fr 之比N,既 N = fc / fr;
调制度――调制波幅值Ar与载波幅值Ac之比,即Ma=Ar/Ac;
同步调制——N 等于常数,并在变频时使载波和信号波保持同步;
基本同步调制方式,fr 变化时N不变,信号波一周期内输出脉冲数固定;
三相电路中公用一个三角波载波,且取 N 为3的整数倍,使三相输出对称;
为使一相的PWM波正负半周镜对称,N应取奇数;
fr 很低时,fc 也很低,由调制带来的谐波不易滤除;
fr 很高时,fc 会过高,使开关器件难以承受。
以上就是三相两电平逆变器SPWM的一些基本概念,下面进入正题。
三相两电平逆变器的Simulink仿真
下图为matlab 2014上搭建的三相两电平逆变器模型:

图3 三相两电平逆变器simulink仿真示意图
该simulink模型主要包含电路部分,控制部分以及波形显示三个部分。采用闭环控制,对输出电压的平均值进行闭环,逆变器直流侧电压为900V,输出电压平均值为380V。其中控制器如下图所示:

图4 三相两电平逆变器控制器示意图
控制器采用模块封装结构,分为输出电压平均值计算模块,PI模块,输出电压指令模块和调制模块。均采用函数编写。其中SPWM调制结果如下图所示,采用正弦波与三角波对比产生三相PWM波。

图5 三相两电平逆变器SPWM调制示意图
以A相的调制过程为例,其中A相的载波与调制波,A相上管脉冲,A相下管脉冲分别如下图三个子图所示。
图6 三相两电平逆变器A相SPWM调制仿真
下图为三相两电平逆变器simulink模型的仿真结果,分别为滤波器逆变器滤波前线电压波形,滤波后线电压波形和输出电流波形。

图7 三相两电平逆变器输出电流电压仿真波形