前言
本文介绍基于STM32F407的AD7606 8通道同步采集控制方式,总体思路:PWM驱动AD7606完成模数转换,AD7606转换完成后其BUSY引脚给出下降沿,STM32捕获外部中断并在中断服务程序中调用SPI串口读取AD7606数据,工程采用cubemx完成配置,基于HAL库开发。
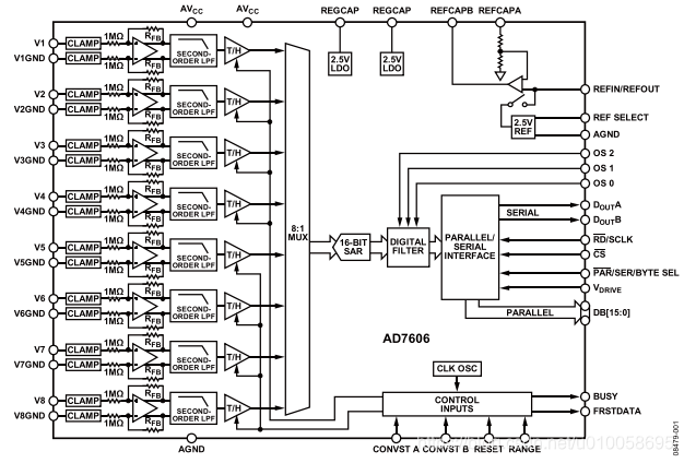
一、AD7606模数转换芯片
主要用在电力采集、多相电机控制、仪器仪表等数据采集场景,提供最大200ksps的16bit八通道同步采集能力,双极性模拟输入可达正负10V,具备完整集成的数据采集解决方案,包括模拟输入钳位、1M欧模拟输入阻抗、二阶抗混叠模拟滤波、片内基准源、数字滤波和和过采样等。支持8080并口和SPI串口读取数据。

根据AD7606说明书配置AD7606工作于SPI串口模式,并短接CONVA和CONVB,实现8通道同步转换。
二、控制器和资源分配
主控STM32F407,所需资源如下:
- 一组串口,Usart1串口(PA9 PA10),打印采集数据
- 一组SPI,SPI2(MISO PC2 、MOSI PC3、 SCLK PB13),读取AD7606转换数据
- 一个定时器,TIM3(TIM3_CH1 PA6管脚),产生PWM,控制AD7606转换频率,即采样率
- 三个GPIO,AD7606Rst(PA1)、AD7606Cs(PA2)、AD7606Irq(PA5)
硬件连线:
- SCLK --------------------------------------RD
- MISO --------------------------------------D7
- AD7606Cs--------------------------------CS
- AD7606Irq--------------------------------BUSY
- AD7606Rst-------------------------------RST
- TIM3_CH1 -------------------------------CONVA
三、cubemx工程配置
3.1 时钟树
配置SYSCLK=168MHz,外设时钟42MHz

3.2 UART1
串口配置不是本文重点,现省略,参考其他资料。
3.3 GPIO
AD7606Rst(PA1)、AD7606Cs(PA2)配置成输出模式,AD7606Irq(PA5)配置成外部中断模式,下降沿触发,并开启全局中断。

3.4 TIM3
配置TIM3为PWM 输出通道1,输出98%占空比的脉冲去驱动AD7606,频率配置为10kHz,(42MHz/42/100 = 10kHz = 100us),占空比配置设置Pulse为98 (98/100 = 98%, 低电平持续时间2us, 需要大于25ns)和CH Polarity为高电平。根据AD7606的时序要求,配置占空比即可。



3.5 SPI
选择全双工模式,虽然只是用读功能,但是不影响。关闭硬件NSS片选信号,配置SPI数据位16bit,MSBFirst,波特率一般可以大于10MHz,SPI的模式根据AD7606手册应该选择为CPOL=High,CPHA=1Edge。数据量不大,一般不需要使用DMA,不需要用中断。



3.6 生成HAL工程
生成HAL库的开发工程,然后编写AD7606的驱动和数据读取。
四、AD7606应用接口
配置好HAL库工程后,还不能正确读取数据,需要增加AD7606的应用层接口,主要包括AD7606的初始化、启动、停止、复位和数据读取等。
static void AD7606Reset(void)
{/*! ___|-----|________ >= 50ns */AD7606Rst_Low();AD7606Rst_High();for(int i = 20; i > 0; i--){__NOP();//1000/168 ns = 5.85ns}AD7606Rst_Low();
}void AD7606Init(void)
{AD7606Cs_High();AD7606Reset();
}void AD7606Start(void)
{HAL_TIM_PWM_Start(&htim3,TIM_CHANNEL_1);//启动AD7606转换
}void AD7606Stop(void)
{HAL_TIM_PWM_Stop(&htim3,TIM_CHANNEL_1);//停止AD7606转换AD7606Cs_High();
}void AD7606BusyIrqCallback(uint16_t *ad7606Val,uint8_t ad7606Chl)
{AD7606Cs_Low();HAL_SPI_Receive(&hspi2,(uint8_t *)ad7606Val,ad7606Chl,10000);//AD7606中断中读取AD7606Cs_High();
}void HAL_GPIO_EXTI_Callback(uint16_t GPIO_Pin)//PA5 中断
{if(GPIO_Pin == AD7606Irq_Pin){//read AD7606if(nums < SAMPLING_POINTS){AD7606BusyIrqCallback(ad7606Buff[nums],SAMPLING_CHANNEL);nums++;ad7606SamplingDoneFlag = 0;}else{ad7606SamplingDoneFlag = 1;}}
}
五、效果
由于AD7606返回的数据是二进制补码的形式,还需要转换成10进制,编写了以下接口:
float AD7606ConvValue(uint16_t bin)
{int _val;float adcValue;_val = bin&0x8000 ? (-((~bin+1)&0x7fff)) : bin;adcValue = 5.0*_val/32768.0;return adcValue;
}
上述函数接口是以AD7606片内2.5V基准电压源为例,设定的采样范围为正负5V,其他基准电压源和正负10V采样范围可以针对修改即可。
最终的采样结果如下,可以看到AD7606使用了过采样技术,干扰很小。

补充一个工程下载仓库:https://gitee.com/eiri_jackmaster/ad7606_freertos_stm32f407
https://gitee.com/eiri_jackmaster/ad7606_stm32f407/tree/master