STM32F10x系列总共最多有8个定时器:

三种STM32定时器区别:

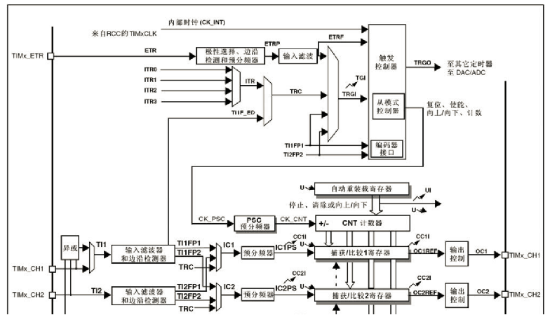
通用定时器功能特点描述:
①、 STM32 的通用 TIMx (TIM2、TIM3、TIM4 和 TIM5)定时器功能特点包括:
-
位于低速的APB1总线上(时钟来源可以是APB1的时钟)
-
16 位向上、向下、向上/向下(中心对齐)计数模式,自动装载计数器(TIMx_CNT)。
-
16 位可编程(可以实时修改)预分频器(TIMx_PSC),计数器时钟频率的分频系数 为 1~65535 之间的任意数值。
-
4 个独立通道(TIMx_CH1~4),这些通道可以用来作为:①、输入捕获、 ②、输出比较、③、PWM 生成(边缘或中间对齐模式) 、 ④、单脉冲模式输出 。
-
可使用外部信号(TIMx_ETR)控制定时器和定时器互连(可以用 1 个定时器控制另外一个定时器)的同步电路。
-
如下事件发生时产生中断/DMA(6个独立的IRQ/DMA请求生成器):
①更新:计数器向上溢出/向下溢出,计数器初始化(通过软件或者内部/外部触发)
②触发事件(计数器启动、停止、初始化或者由内部/外部触发计数)
③输入捕获
④输出比较
⑤支持针对定位的增量(正交)编码器和霍尔传感器电路
⑥触发输入作为外部时钟或者按周期的电流管理
② STM32 的通用定时器可以被用于:测量输入信号的脉冲长度(输入捕获)或者产生输出波形(输出比较和 PWM)等。
③ 使用定时器预分频器和 RCC 时钟控制器预分频器,脉冲长度和波形周期可以在几个微秒到几个毫秒间调整。STM32 的每个通用定时器都是完全独立的,没有互相共享的任何资源。
计数器模式:
通用定时器可以向上计数、向下计数、向上向下双向计数模式。
- 向上计数模式:计数器从0计数到自动加载值(TIMx_ARR),然后重新从0开始计数并且产生一个计数器溢出事件。
- 向下计数模式:计数器从自动装入的值(TIMx_ARR)开始向下计数到0,然后从自动装入的值重新开始,并产生一个计数器向下溢出事件。
- 中央对齐模式(向上/向下计数):计数器从0开始计数到自动装入的值-1,产生一个计数器溢出事件,然后向下计数到1并且产生一个计数器溢出事件;然后再从0开始重新计数。

通用定时器工作过程:

计数时钟的选择:

时基单元:

更新事件:

捕捉比较阵列介绍:

输入捕捉模式:
PWM模式:
